도면
크레인 part
소형휠도면
표준 주강휠 도면
표준 단조휠 도면
후크표준 도면
표준새들 도면
체인 part
드롤리체인 도면
카달록
회사소개서
크레인part 카달록
드롤리체인 카달록
식수관리 시스템 카달록
기술자료
검사성적서
소재성분표
기타 기술자료
특허 및 인증서

표준 주강휠 Home제품 자료실
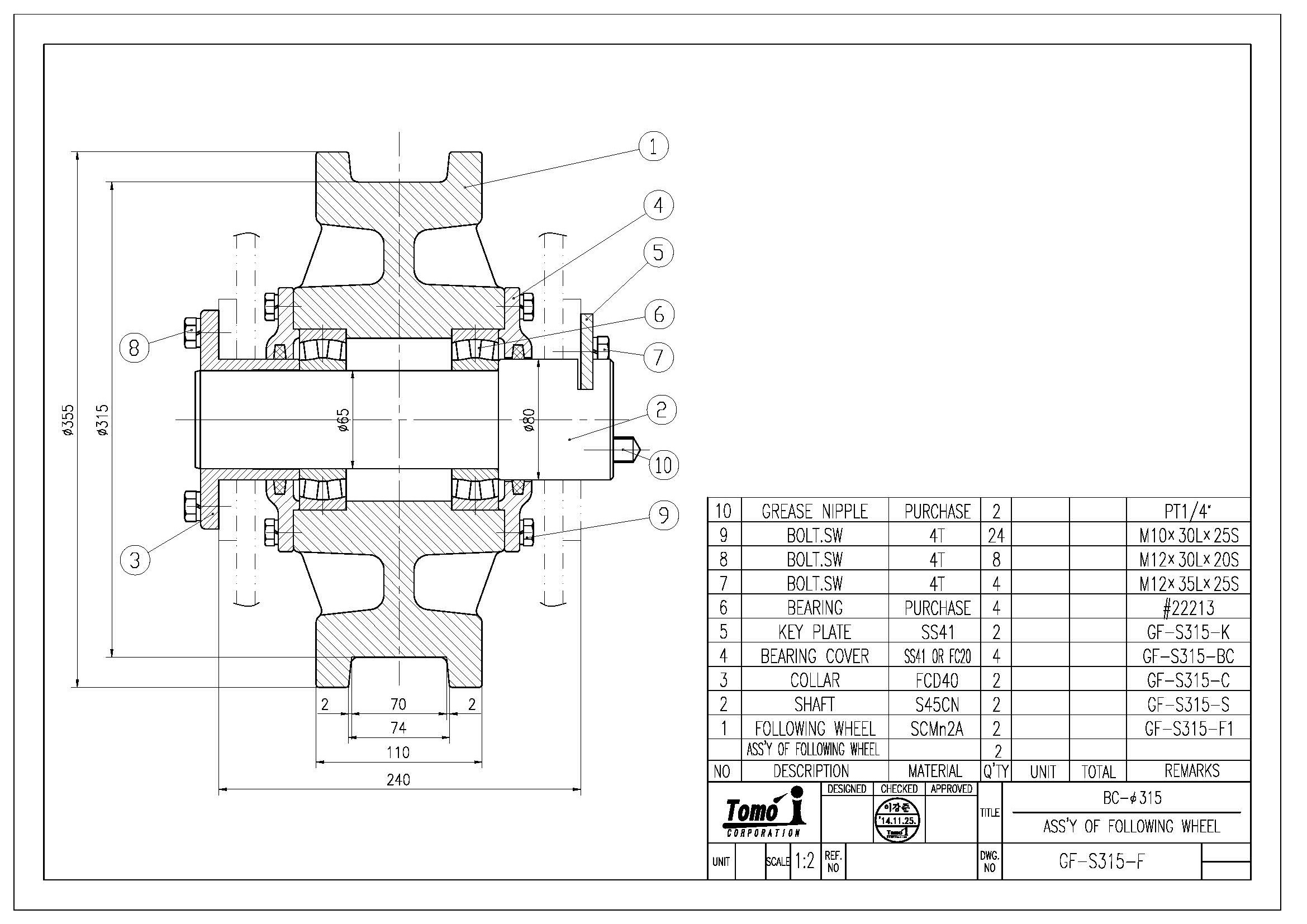
GF-315-F 주강훨 도면
작성자 토모아이 조회수 91 작성일 2014-11-25 00:00:00

첨부파일 첨부파일 : 1개 - GF-S315-D-73KG Model (1).pdf
      

경남 김해시 상동면 우계리 140번지 TEL : 055-321-2175   FAX : 055-321-2176   메일 : lien830@hanmail.net
개인정보관리 책임 : 휠포스씨엠티 ( lien830@hanmail.net)  admin